Views: 2025 Author: Keystone Vessel (Wuhan) Publish Time: 2024-08-19 Origin: Keystone Vessel (Wuhan)
Remot Team Meeting with Kowa Company for UN Portable Tanks Technical Q&A

Volume (100%) | Max Filling Volume (90% full) | Dimensions Length | Diameter | Height | |
1630L 430gal | 1,465L (387 gal) | 208 cm(82 in) | 107 cm(42 in) | 128 cm | |
1880L 480gal | 1692L (432 gal) | 212.8 cm(83.7 in) | 114.8 cm(45.1 in) | 138 .8cm,144.5cm (54.56in,56.8in) |
Hydrostatic pressure test of the tank: -At a pressure of: 21 bar
Pneumatic tightness test of the tank equipment: - At a pressure of : 12.6 bar
Review of radiographs: - 100% of circumferential and
longitudinal shell welds
- 100% of welds in head section
- Fusible elements setting 177°C
- ASME Certification Mark with U
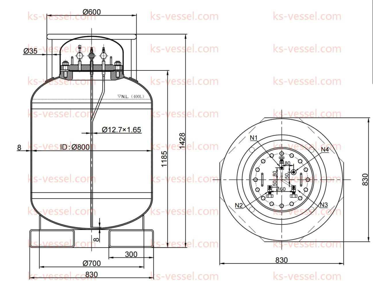
0.667 MPa @ 65°C | Contentof Medieum | 充装介质 | UN3394, U339... | ||
-40~65。C | Corosion Alowance | 腐蚀余量 | 0mm | ||
450 L | Tare 设备自重 | 约300 kg | |||
1 .0 MPa | MP.G.M | 1200 kg | |||
0. .6 MPa | Design Lfe 设计使用年限 | 12 Years | |||
331603 | Head Thickness 封头厚度 | 8mm | |||
Cyin. Shell Thick. 筒体厚度 | 8mm | ||||
Weld Joint Type 焊接接头型式 | Method方法一Rate 比例 | Code- Accepted Criteria标准 | |||
All the welds 所有焊接接头 | Visual exmnatain-100%外观 | ISO21172-1或 NB/T 47013.2-2015 | |||
A、B | RT- -100% | ||||
nternal:Polishing to Ra 0.3 and EP; External: Mirror finishing 内表面:抛光至Ra 0.3并EP处理; 外表面:镜面拋光至 (#400) | |||||
IMDG CODE,ISO 21172-1,TPED(2010/35/EU) | |||||
Valve 阀门品牌 | Connect Type 连接型式 | Service 用途 | Type 型号 | ||
Ham-let | 8VCR male nut with female plug | Loading | HF20-12LKR-W8 | ||
Ham-let | 8VCR female nutwith male plug | Gas return | HM20-4VKLR-BW6 | ||
Ham-let | 8VCRmale nutwith female plug | Unloading | HM20-4VKLR-BW6 | ||
12VCR male nut with femaleplug | |||||
(Including HAM-LET Diaphragm Valve HF20-12LKR-W8 HIGH FLOW 1PC,
HM20-4VKLR-BW6 X 2PCS ),
Tank Sheel / flange /handle made of 316 stainless steel



Professionally Manufacture Maintenance, Inspection T21 Un Protable Metal Alkyls Catalyst Tanks Distributed Globally
Professional Manufacturing: Produced in strict accordance with international dangerous goods transportation container standards (such as IMDG Code, ISO standards), with high-quality Aluminium Metal Alkyls materials ensuring excellent corrosion resistance and structural stability, suitable for the storage and transportation of TEA、 TMA、MAO ,TEOS and other similar flammable liquids.
Global Circulation Compliance: The design and manufacturing meet the requirements of various international transportation modes (maritime, land, air), with complete certification documents, enabling smooth circulation across global markets.
Comprehensive Remanufacturing Services: Return to Kunshi Keystone Vessel for one-stop remanufacturing, including detailed maintenance (repair of damaged components, replacement of seals, etc.), strict inspection (pressure test, leak test, material performance test, etc.), and professional internal treatment (cleaning, passivation, drying, etc.) to restore the tank container's performance to meet safe use standards.
Service Value: Extending the service life of tank containers through professional remanufacturing not only improves the utilization rate of equipment but also reduces the environmental impact caused by waste tank disposal, achieving economic and environmental benefits.
Provide comprehensive maintenance services in manufacturing (tank inspection, repair, re-spraying), thereby extending the service life of customer products
Keystone Vessel Specializing - Industrial Gas Cylinders| ISO Tank| Pressure Vessel| UN Portable Tanks